Гарантия 3 года
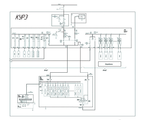
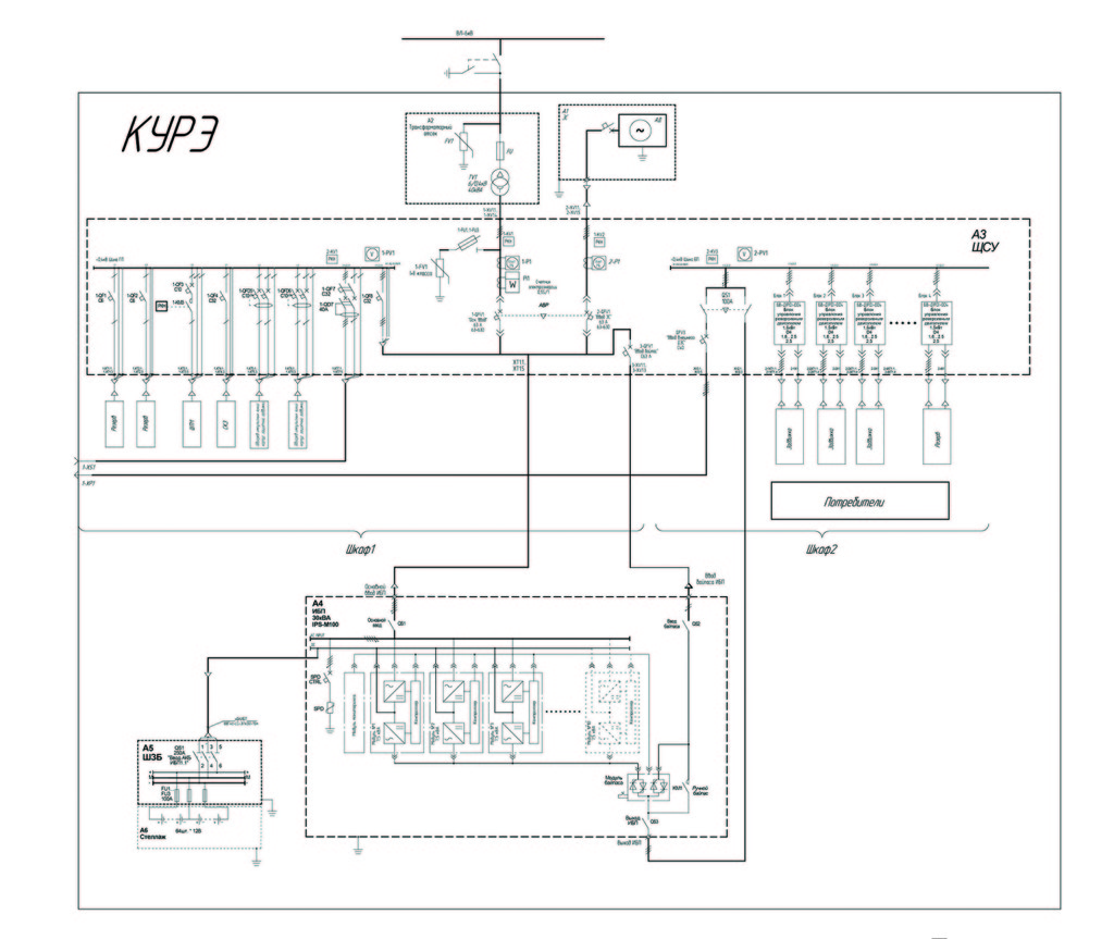
Комбинированная установка резервного электроснабжения КУРЭ, предназначена для обеспечения бесперебойного электроснабжения технологических нагрузок, систем автоматизации, управления и связи, с целью обеспечения нормальной работы технологического оборудования при исчезновении внешнего электроснабжения.
КУРЭ предусматривает возможность гальванической развязки между сетью питания и сетью потребителя.
УГП обеспечивают минимальное время на переключение инвертора на питание от аккумуляторной батареи (далее АБ) при возникновении недопустимых отклонений качества электроэнергии на входе, а также обратный возврат схемы на питание от сети при восстановлении качества электроснабжения.
Область применения КУРЭ: военные объекты, в том числе двойного назначения, атомной энергетики, центры обработки данных (ЦОДы, дата-центры), автоматизированные системы безопасности и управления технологическими процессами, инженерные и транспортные инфраструктуры, крупные медицинские комплексы, системообразующие кластеры.
Технические параметры:
Номинальное напряжение на стороне ВН, 6 или 10 кВ;
Номинальное напряжение на стороне НН, 380 В;
Мощность силового трансформатора от 25 до 160 кВА;
Конструкция
Масса (без упаковки), не более – 9000 кг;
Габаритные размеры, ДхШхВ, мм - 9000 х 3000 х 3050;
КУРЭ предусматривает возможность гальванической развязки между сетью питания и сетью потребителя.
УГП обеспечивают минимальное время на переключение инвертора на питание от аккумуляторной батареи (далее АБ) при возникновении недопустимых отклонений качества электроэнергии на входе, а также обратный возврат схемы на питание от сети при восстановлении качества электроснабжения.
Область применения КУРЭ: военные объекты, в том числе двойного назначения, атомной энергетики, центры обработки данных (ЦОДы, дата-центры), автоматизированные системы безопасности и управления технологическими процессами, инженерные и транспортные инфраструктуры, крупные медицинские комплексы, системообразующие кластеры.
Технические параметры:
Номинальное напряжение на стороне ВН, 6 или 10 кВ;
Номинальное напряжение на стороне НН, 380 В;
Мощность силового трансформатора от 25 до 160 кВА;
Конструкция
Масса (без упаковки), не более – 9000 кг;
Габаритные размеры, ДхШхВ, мм - 9000 х 3000 х 3050;
