Гарантия 3 года
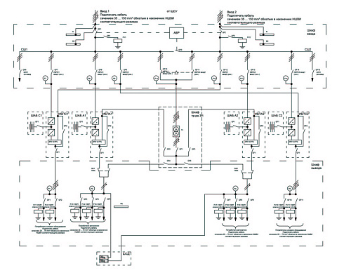
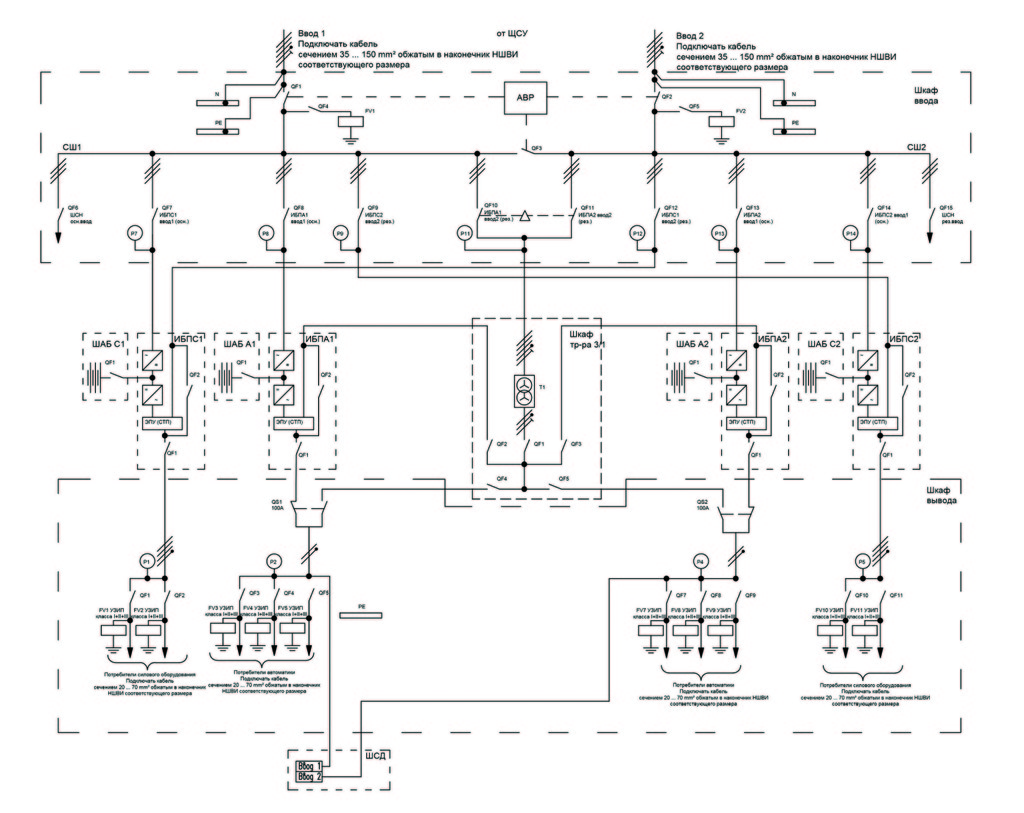
Устройства гарантированного питания систем электроснабжения серии УГП (далее – УГП), предназначены для обеспечения бесперебойного электроснабжения технологических нагрузок, систем автоматизации, управления и связи, с целью обеспечения нормальной работы технологического оборудования при исчезновении внешнего электроснабжения.
УГП обеспечивают электроснабжение с необходимыми показателями надежности и качества электроэнергии при следующих нарушениях в системе электроснабжения:
− понижение напряжения ниже допустимого уровня, в том числе его пропадание;
− импульсные перенапряжения и повышение напряжения выше допустимого уровня;
− нелинейные искажения напряжения и отклонение частоты.
− магнитные поля;
− электромагнитные и радиочастотные помехи;
− переходные процессы коммутации.
УГП обеспечивают гальваническую развязку между сетью питания и сетью потребителя.
УГП обеспечивают минимальное время на переключение инвертора на питание от аккумуляторной батареи (далее АБ) при возникновении недопустимых отклонений качества электроэнергии на входе, а также обратный возврат схемы на питание от сети при восстановлении качества электроснабжения.
Область применения: военные объекты, в том числе двойного назначения, атомной энергетики, центры обработки данных (ЦОДы, дата-центры), автоматизированные системы безопасности и управления технологическими процессами, инженерные и транспортные инфраструктуры, крупные медицинские комплексы, системообразующие кластеры.
Технические параметры:
Входные параметры
Тип входного соединения - 3L+N+PE
Напряжение питания, В 380, 50 Гц;
Допустимые отклонения напряжения питающей сети, ±20%;
Допустимые отклонения частоты, не более ± 10%;
Коэффициент нелинейных искажений входного тока, не более 10%;
Коэффициент мощности, не менее - 0,9;
Выходные параметры
Номинальная выходная мощность ИБПС при коэффициенте мощности нагрузки (Cosφ=0.8), не более 200 кВА;
Номинальное напряжение ИБПС, 380В линейное;
Номинальная выходная мощность ИБПА при коэффициенте
мощности нагрузки (Cosφ=0.8), не более 60 кВА;
Номинальное напряжение ИБПА, 220В фазное;
Форма выходного сигнала – синусоидальная;
КНИ при номинальной симметричной линейной нагрузке, не более 3%;
КНИ при номинальной несимметричной линейной нагрузке, не более 5%;
Допустимое отклонение выходного напряжения для номинальной нагрузки и в диапазоне плавных изменений тока нагрузки от 0 до номинального значения, , не более ±2%;
Номинальная частота, 50Гц;
Допустимое отклонение частоты выходного напряжения, ±0,2 Гц;
Допустимое отклонение выходного напряжения при скачкообразном изменении тока нагрузки в пределах от 0,5 до 1,1 от номинального, ±10%;
Несимметрия выходного напряжения при симметричной нагрузке, , не более 1%;
Диапазон регулирования выходного напряжения, ±5%;
Крест-фактор нагрузки, не более 3:1;
КПД при номинальной выходной мощности, не менее 95%;
КПД при номинальной выходной мощности при работе через байпас, , не менее 98%;
Время автономной работы ИБПС, мин, не менее - по опросному листу;
Время автономной работы ИБПА, мин, не менее - по опросному листу;
Допустимая перегрузка по току, не более:
- в течение 1 мин - 125%;
- в течение 5 с - 150%;
Тип выходного соединения
- ИБПС - 3L+N+PE;
- ИБПА - 1L+N+PE;
Допустимое отклонение напряжения подзаряда АБ в диапазоне плавных изменений тока нагрузки от 0 до номинального значения при изменении напряжения питания
в допустимых пределах (п.1.4), не более 1%;
Коэффициент пульсаций выпрямителя(ей) при работе на активную нагрузку, не более 1%;
Конструкция
Масса контейнера брутто, не более - 20000 кг;
Масса устанавливаемого оборудования, не более – 8000 кг;
Габаритные размеры блок-контейнера (от низа рамы до конька съемной крыши), ВхШхД, мм - 3050 х 3000 х 6100;
Габаритные (транспортные) размеры контейнера корпусного (от низа рамы до конька стационарной крыши), ВхШхД, мм - 2950-10 х 3100-10 х 6200-20;
Устойчивость к взлому по ГОСТ Р 50941 - 3 класс устойчивости;
УГП обеспечивают электроснабжение с необходимыми показателями надежности и качества электроэнергии при следующих нарушениях в системе электроснабжения:
− понижение напряжения ниже допустимого уровня, в том числе его пропадание;
− импульсные перенапряжения и повышение напряжения выше допустимого уровня;
− нелинейные искажения напряжения и отклонение частоты.
− магнитные поля;
− электромагнитные и радиочастотные помехи;
− переходные процессы коммутации.
УГП обеспечивают гальваническую развязку между сетью питания и сетью потребителя.
УГП обеспечивают минимальное время на переключение инвертора на питание от аккумуляторной батареи (далее АБ) при возникновении недопустимых отклонений качества электроэнергии на входе, а также обратный возврат схемы на питание от сети при восстановлении качества электроснабжения.
Область применения: военные объекты, в том числе двойного назначения, атомной энергетики, центры обработки данных (ЦОДы, дата-центры), автоматизированные системы безопасности и управления технологическими процессами, инженерные и транспортные инфраструктуры, крупные медицинские комплексы, системообразующие кластеры.
Технические параметры:
Входные параметры
Тип входного соединения - 3L+N+PE
Напряжение питания, В 380, 50 Гц;
Допустимые отклонения напряжения питающей сети, ±20%;
Допустимые отклонения частоты, не более ± 10%;
Коэффициент нелинейных искажений входного тока, не более 10%;
Коэффициент мощности, не менее - 0,9;
Выходные параметры
Номинальная выходная мощность ИБПС при коэффициенте мощности нагрузки (Cosφ=0.8), не более 200 кВА;
Номинальное напряжение ИБПС, 380В линейное;
Номинальная выходная мощность ИБПА при коэффициенте
мощности нагрузки (Cosφ=0.8), не более 60 кВА;
Номинальное напряжение ИБПА, 220В фазное;
Форма выходного сигнала – синусоидальная;
КНИ при номинальной симметричной линейной нагрузке, не более 3%;
КНИ при номинальной несимметричной линейной нагрузке, не более 5%;
Допустимое отклонение выходного напряжения для номинальной нагрузки и в диапазоне плавных изменений тока нагрузки от 0 до номинального значения, , не более ±2%;
Номинальная частота, 50Гц;
Допустимое отклонение частоты выходного напряжения, ±0,2 Гц;
Допустимое отклонение выходного напряжения при скачкообразном изменении тока нагрузки в пределах от 0,5 до 1,1 от номинального, ±10%;
Несимметрия выходного напряжения при симметричной нагрузке, , не более 1%;
Диапазон регулирования выходного напряжения, ±5%;
Крест-фактор нагрузки, не более 3:1;
КПД при номинальной выходной мощности, не менее 95%;
КПД при номинальной выходной мощности при работе через байпас, , не менее 98%;
Время автономной работы ИБПС, мин, не менее - по опросному листу;
Время автономной работы ИБПА, мин, не менее - по опросному листу;
Допустимая перегрузка по току, не более:
- в течение 1 мин - 125%;
- в течение 5 с - 150%;
Тип выходного соединения
- ИБПС - 3L+N+PE;
- ИБПА - 1L+N+PE;
Допустимое отклонение напряжения подзаряда АБ в диапазоне плавных изменений тока нагрузки от 0 до номинального значения при изменении напряжения питания
в допустимых пределах (п.1.4), не более 1%;
Коэффициент пульсаций выпрямителя(ей) при работе на активную нагрузку, не более 1%;
Конструкция
Масса контейнера брутто, не более - 20000 кг;
Масса устанавливаемого оборудования, не более – 8000 кг;
Габаритные размеры блок-контейнера (от низа рамы до конька съемной крыши), ВхШхД, мм - 3050 х 3000 х 6100;
Габаритные (транспортные) размеры контейнера корпусного (от низа рамы до конька стационарной крыши), ВхШхД, мм - 2950-10 х 3100-10 х 6200-20;
Устойчивость к взлому по ГОСТ Р 50941 - 3 класс устойчивости;
